
最近十年,可穿戴设备经历了从元年开始的新技术萌芽到被资本热捧,从行业发展挫折遇冷再到重新成熟。2020年的疫情使全球消费者对健康和生活质量的重视提到了史无前例的高度,智能穿戴设备的价值也再次被重新认可。据CCS Insights预测,可穿戴式装备的成长速度将高于手机和平板,至2025年,全球可穿戴设备(智能手表、智能手环)整体出货量将达3.8亿只。智能手表的健康监测,已经从可穿戴设备的心率测量能不能测准,变成了心率、血氧,ECG在保证准确性的同时能不能随时监测。目前,可穿戴智能手表手环产品用户所关心的众多问题中,电池续航问题排在所有问题的首位,功耗是一个系统级的问题。以智能手环手表为例,健康监测功能做得越来越面面俱到,其主芯片及传感器工作的时间越来越长,用于检测心率、ECG,体温等指标的传感器也越来越多,整个系统的功耗必然会增加。如何让传感器在不需要工作的时候尽可能保持低的静态功耗,成为可穿戴设备研发工程师选型时需要重点考虑的因素。为了更好的满足可穿戴产品超低功耗的需求,微源半导体近期发布了一款专门针对可穿戴设备低功耗应用需求的LDO – LP3991。
以目前可穿戴应用中份额最高的智能手环手表产品为例,不同的主芯片会有不同的电压要求,例如1.8V、3.3V等,分别为主平台模拟或者数字电路供电,系统的电源管理要求在需要时开启或关闭各个系统模块的电源。常见的开启或关闭的方式有两种:一是使用负载开关(如微源产品:可穿戴应用的低功耗小体积负载开关 - LP5240HVF);二是直接采用带使能引脚的超低静态电流的LDO。通常带使能引脚的LDO要求静态电流在5uA内。微源半导体新推出的LP3991能满足这样的要求。
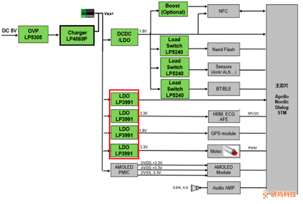
下图为可穿戴手环/手表的典型应用图(注:图中所有绿色部分均有微源产品可供选择)。

LP3991具有超低的工作电压1.5V,EN还支持1.2V的逻辑控制,可完美地兼容低压的主控来控制EN的关断。其超小的DFN1*1封装也是非常省空间。

LP3991是一款低功耗5uA和具有良好的动态响应LDO,其实测静态电流和动态响应如以下二图所示。除静态功耗外,LP3991也处处考虑到可穿戴设备的其它关注点,例如:
丰富的固定输出电压可选以满足不同模块工作电压的需求;
DFN1*1的小封装满足可穿戴产品空间小的需求。
