AT6558R-5300 是一款高性能 BDS/GNSS 多模卫星导航接收机 SOC 单芯片,片上集成 射频前端,数字基带处理器,32 位的 RISC CPU,电源管理功能。芯片支持多种卫星导航 系统,包括中国的北斗卫星导航系统 BDS, 美国的 GPS,俄罗斯的 GLONASS,并实现多 系统联合定位。
支持 BDS/GPS/GLONASS 多系统联合定位 和单系统独立定位。
具备有源天线检测与保护
电源管理
方案一:采用 DCDC 供给内核 LDO,支持 2.7~3.6V 单电源供电,典型 3.3V 供电。
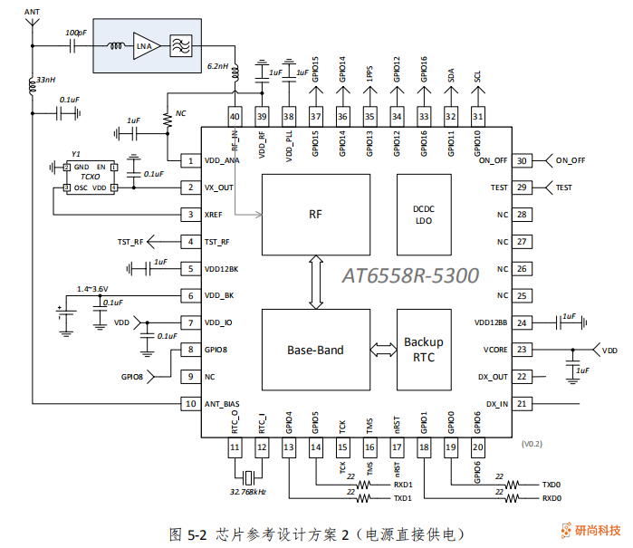
方案二:支持 1.8V~3.3V 电源直接供电。
RTC 和备份电路电源可低至 1.4V。
功耗: BDS/GPS 双模连续运行:~23mA@3.3V。 待机:8uA(@3.3V)
封装尺寸: QFN40,5mm×5mm×0.9mm。
| 技术参数 | 性能指标 |
| 信号接收 | BDS/GPS/GLONASS并行接收和联合定位 |
| 冷启动 | ≤32s |
| 热启动 | ≤1s |
| 重捕获 | ≤1s |
| 冷启动捕获灵敏度 | -148dBm |
| 热启动捕获灵敏度 | -156dBm |
| 重捕获灵敏度 | -160dBm |
| 跟踪灵敏度 | -162dBm |
| 定位精度 | <2m |
| 测速精度 | <0.1m/s |
| 授时精度 | <30ns |
| 定位更新率 | 1Hz(最大5Hz) |




样品申请或者获取更多产品信息请在官网留言或者联系sales。
AT6558R与UBLOX公司UBX-G7020-KT和UBX-M8030-KT封装管脚兼容,常用功能兼容。只需调整部分外围器件取值,就可以替代UBX-G7020-KT和UBX-M8030-KT,实现完美兼容替代使用。中科微提供芯片替代设计手册,并提供FAE技术支持,免除工程师后顾之忧、